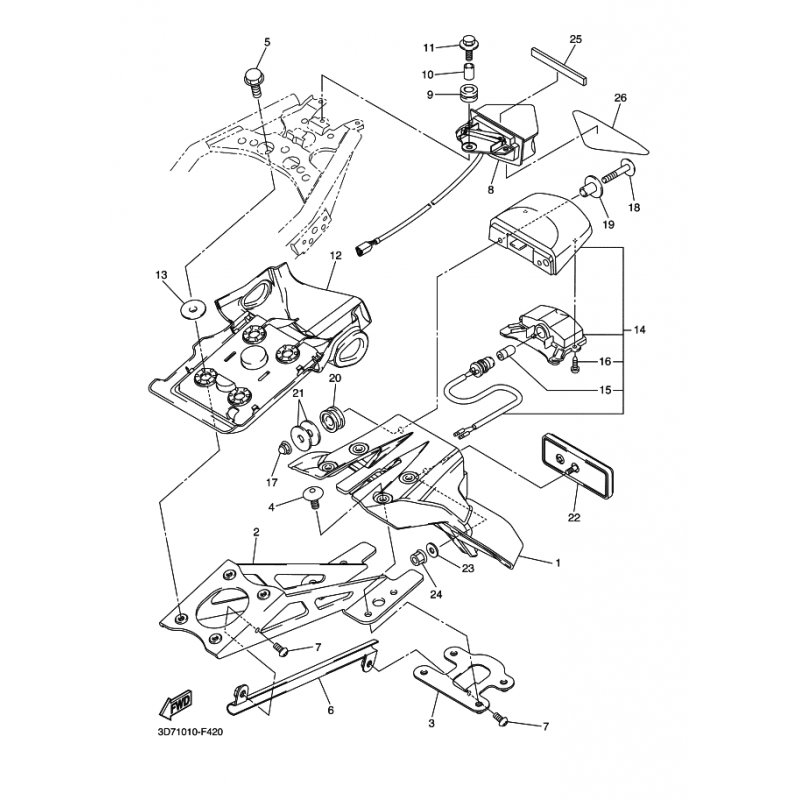
DAMPFER, SCHLUSSLICHT 2
Artikelname: DAMPFER, SCHLUSSLICHT 2
Hersteller: Yamaha
OEM Nummer: 3D7847370000
Hersteller: Yamaha
OEM Nummer: 3D7847370000






















