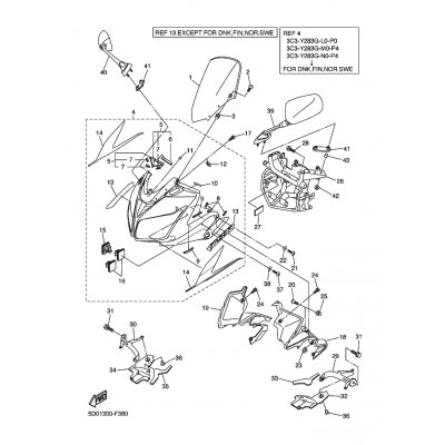
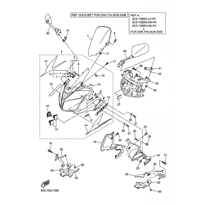
EMBLEM
Artikelname: EMBLEM
Hersteller: Yamaha
OEM Nummer: 3C3283150000
Hersteller: Yamaha
OEM Nummer: 3C3283150000




















