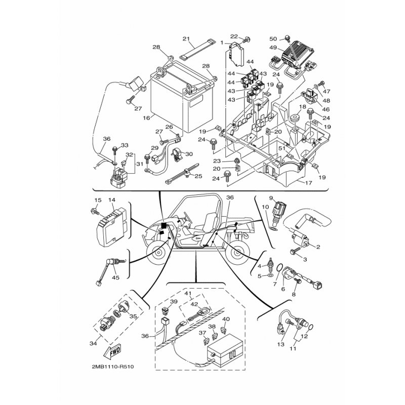
STOPPSCHALTER KOMPL.
Artikelname: STOPPSCHALTER KOMPL.
Hersteller: Yamaha
OEM Nummer: 3B4825760000
Hersteller: Yamaha
OEM Nummer: 3B4825760000






















