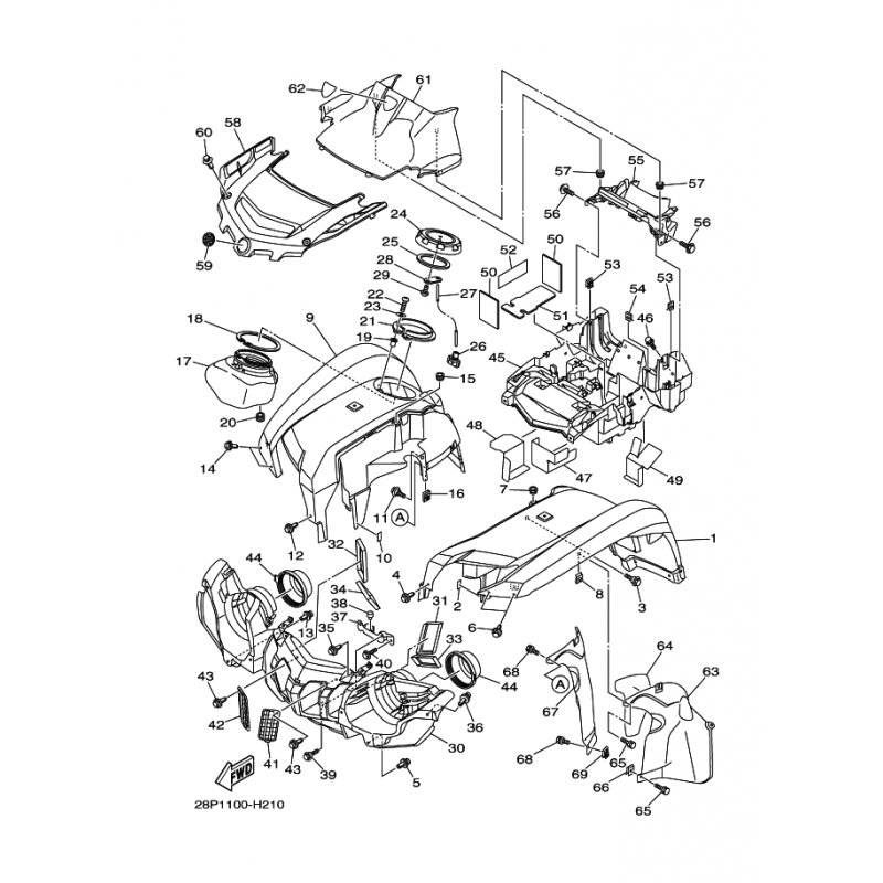
KOTFLUGEL, VORNE 2
Artikelname: KOTFLUGEL, VORNE 2
Hersteller: Yamaha
OEM Nummer: 3B421556G000
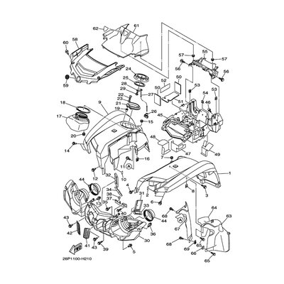
Hersteller: Yamaha
OEM Nummer: 3B421556G000






















