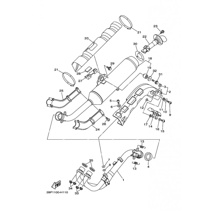
DICHTUNG, SCHALLDAMPFER
Artikelname: DICHTUNG, SCHALLDAMPFER
Hersteller: Yamaha
OEM Nummer: 3B4147143000
Dieser Artikel wurde durch folgenden ersetzt: 1HPE47140000
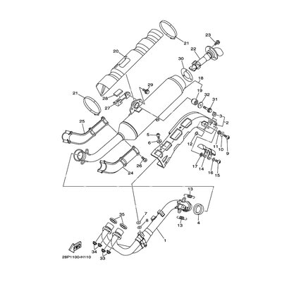
Hersteller: Yamaha
OEM Nummer: 3B4147143000
Dieser Artikel wurde durch folgenden ersetzt: 1HPE47140000






















