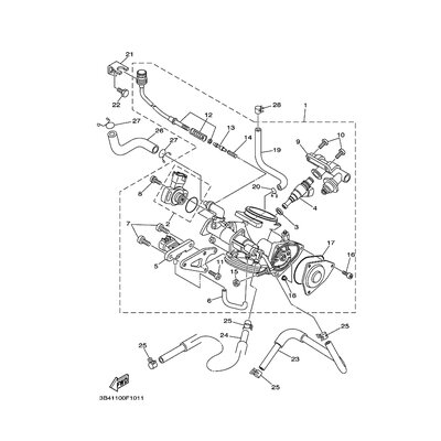
SCHLAUCH, LUFT
Artikelname: SCHLAUCH, LUFT
Hersteller: Yamaha
OEM Nummer: 3B4135430000
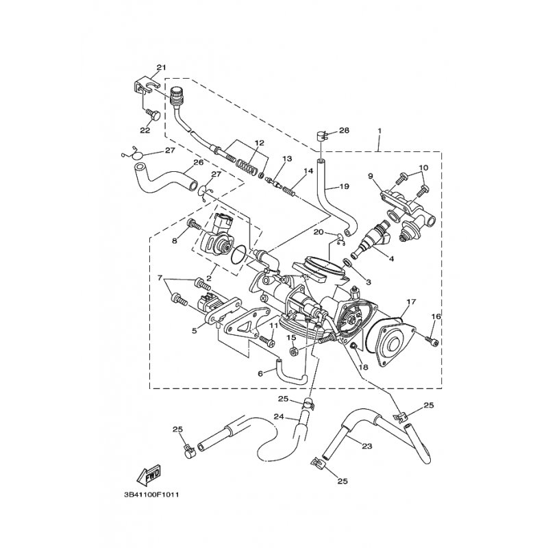
Hersteller: Yamaha
OEM Nummer: 3B4135430000






















