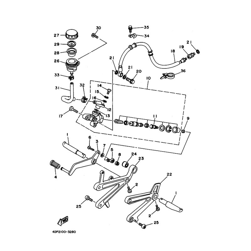
KONSOLE, FUSSRASTE 1
Artikelname: KONSOLE, FUSSRASTE 1
OEM: 3YL-27412-01 [3YL274120100]
OEM: 3YL-27412-01 [3YL274120100]






















