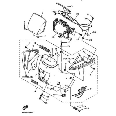
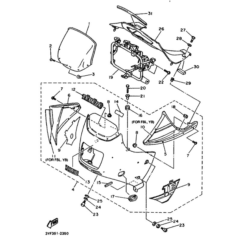
AUFKLEBER, VERKLEIDUNG 2
Artikelname: AUFKLEBER, VERKLEIDUNG 2
OEM: 3YF-28392-50 [3YF283925000]
OEM: 3YF-28392-50 [3YF283925000]






















