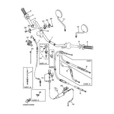
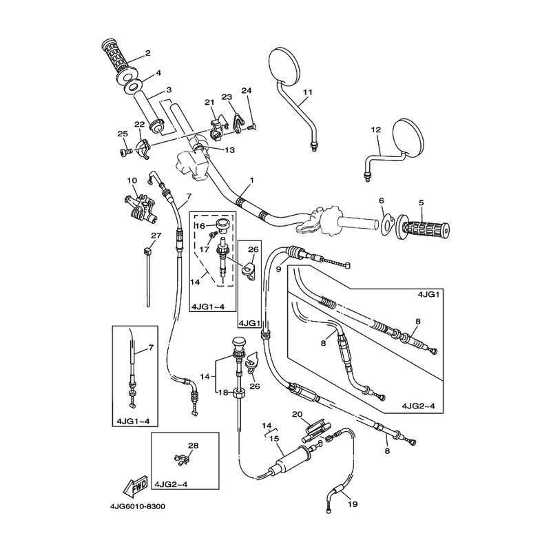
HALTER, SEILZUG
Artikelname: HALTER, SEILZUG
OEM: 3RW-2637G-00 [3RW2637G0000]
OEM: 3RW-2637G-00 [3RW2637G0000]






















