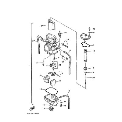
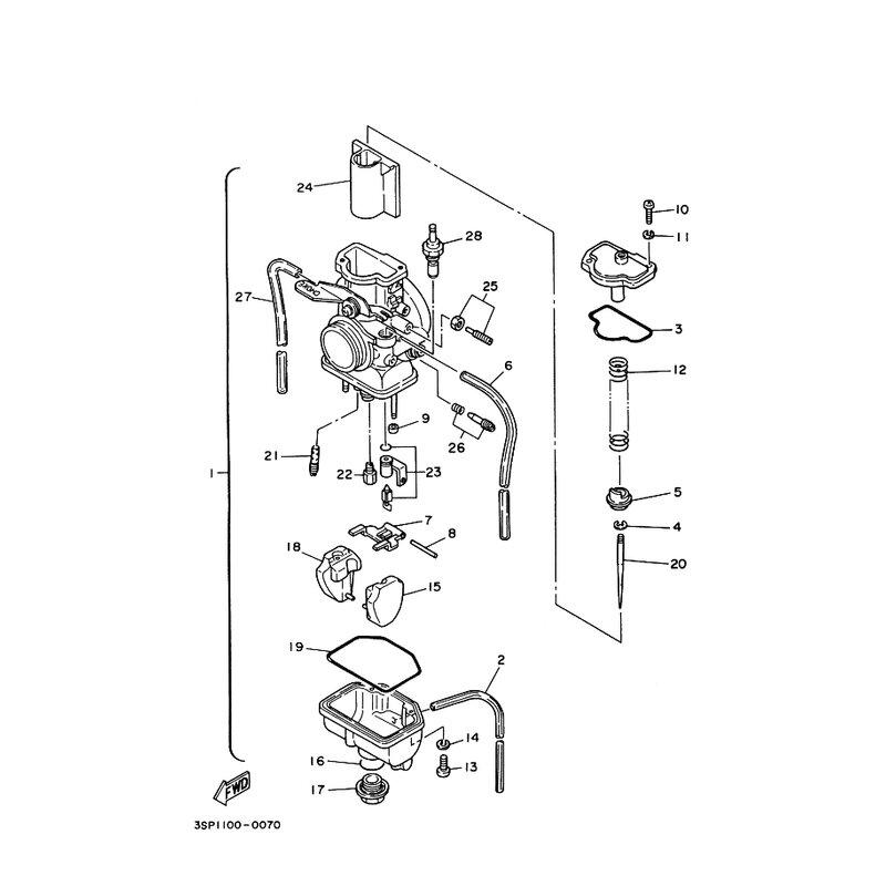
VERGASEREINHEIT 1
Artikelname: VERGASEREINHEIT 1
OEM: 3RB-14101-00 [3RB141010000]
OEM: 3RB-14101-00 [3RB141010000]




















