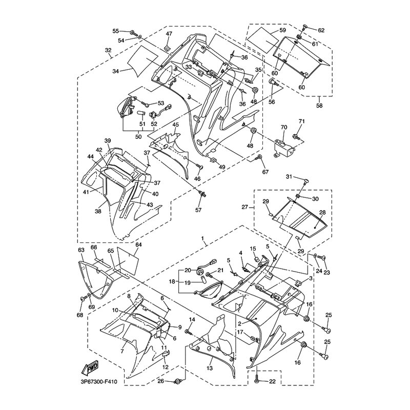
AUFKLEBER, VERKLEIDUNG 4
Artikelname: AUFKLEBER, VERKLEIDUNG 4
OEM: 3P6-28394-20 [3P6283942000]
OEM: 3P6-28394-20 [3P6283942000]






















