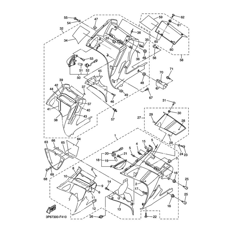
AUFKLEBER, VERKLEIDUNG 2
Artikelname: AUFKLEBER, VERKLEIDUNG 2
OEM: 3P6-28392-20 [3P6283922000]
OEM: 3P6-28392-20 [3P6283922000]





















