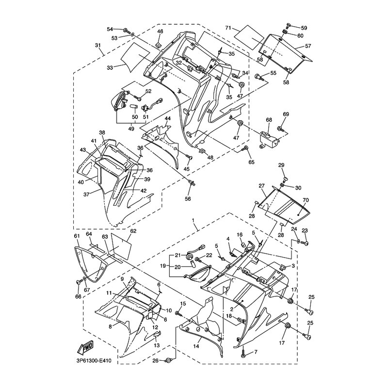
VISOR, SIDE 2
Artikelname: VISOR, SIDE 2
OEM: 3P6-2830D-00-P1 [3P62830D00P1]
OEM: 3P6-2830D-00-P1 [3P62830D00P1]






















