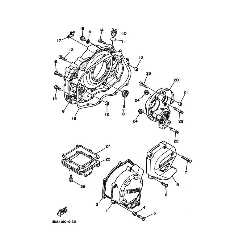
DECKEL, KETTENKASTEN
Artikelname: DECKEL, KETTENKASTEN
OEM: 3MA-15418-00 [3MA154180000]
OEM: 3MA-15418-00 [3MA154180000]




















