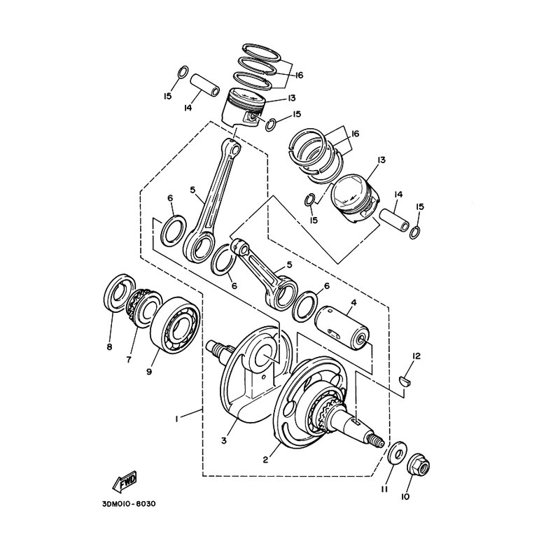
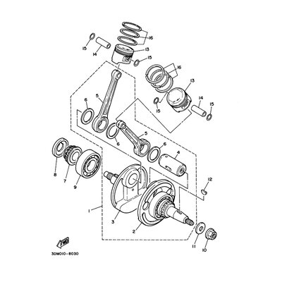
KOLBENRINGSATZ
Artikelname: KOLBENRINGSATZ
OEM: 3KF-11610-20 [3KF116102000]
OEM: 3KF-11610-20 [3KF116102000]






















