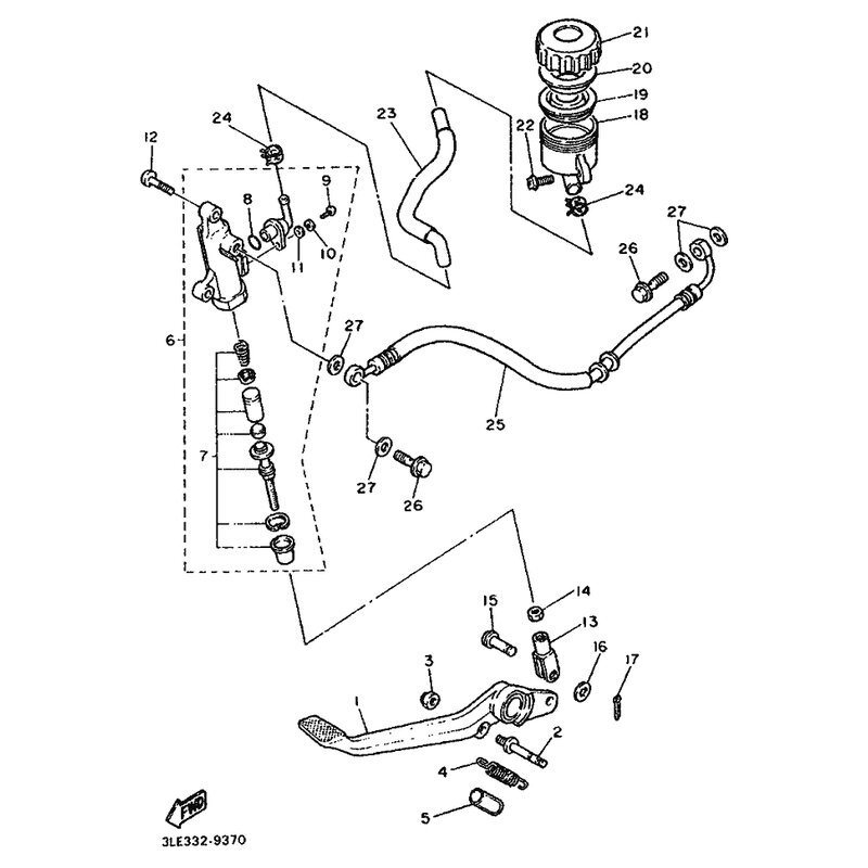
BREMSSCHLAUCH
Artikelname: BREMSSCHLAUCH
OEM: 3GM-25874-10 [3GM258741000]
OEM: 3GM-25874-10 [3GM258741000]




















