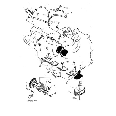
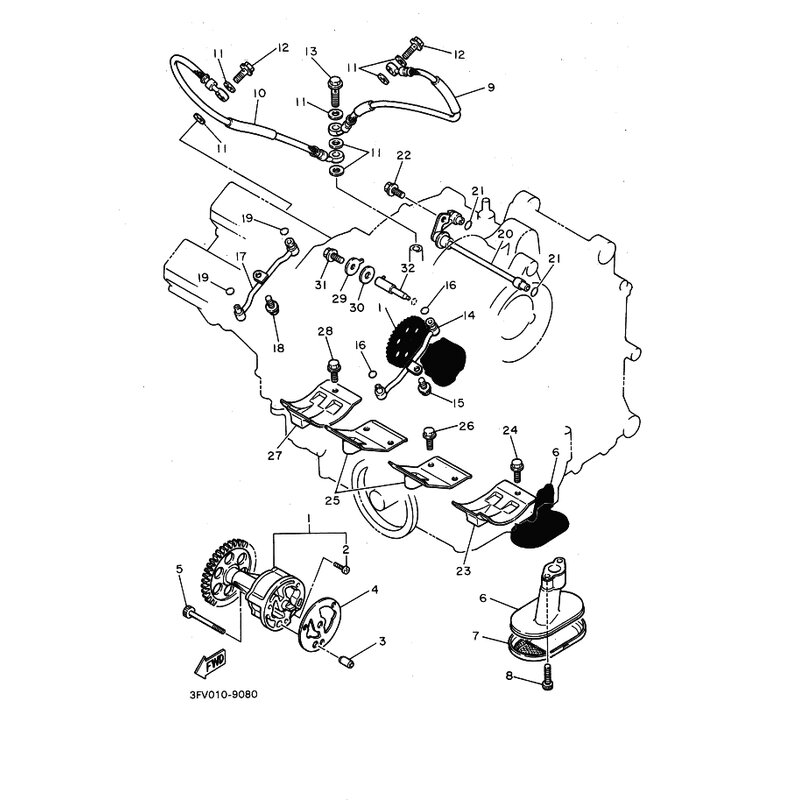
GEHAUSE, FILTER
Artikelname: GEHAUSE, FILTER
OEM: 3FV-13412-00 [3FV134120000]
OEM: 3FV-13412-00 [3FV134120000]




















