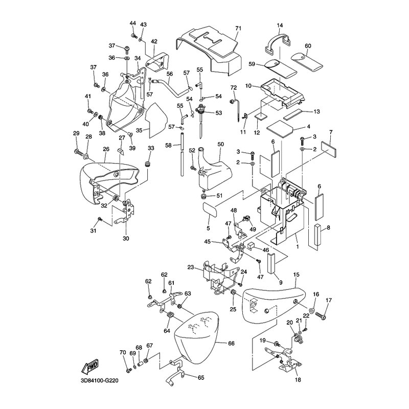
SEITENDECKEL 2
Artikelname: SEITENDECKEL 2
OEM: 3D8-21721-00-P5 [3D82172100P5]
OEM: 3D8-21721-00-P5 [3D82172100P5]






















