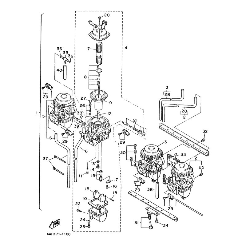
VERGASEREINHEIT 1
Artikelname: VERGASEREINHEIT 1
OEM: 3CY-14901-10 [3CY149011000]
OEM: 3CY-14901-10 [3CY149011000]




















