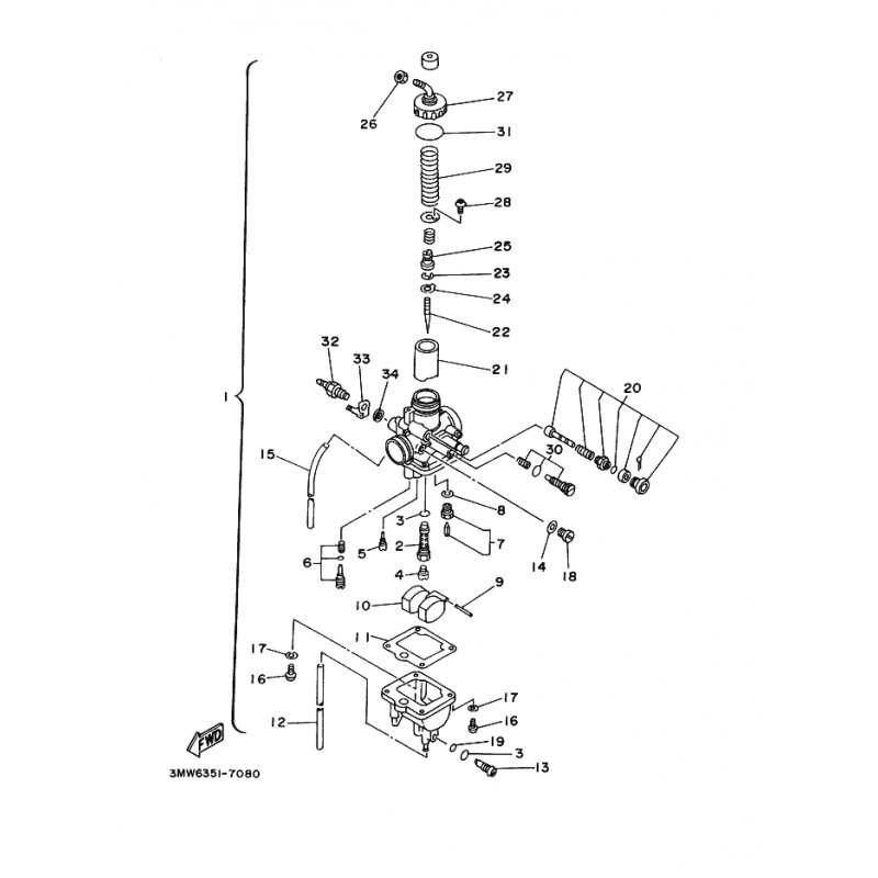
KLEMME
Artikelname: KLEMME
Hersteller: Yamaha
OEM Nummer: 389141370000
Hersteller: Yamaha
OEM Nummer: 389141370000






















