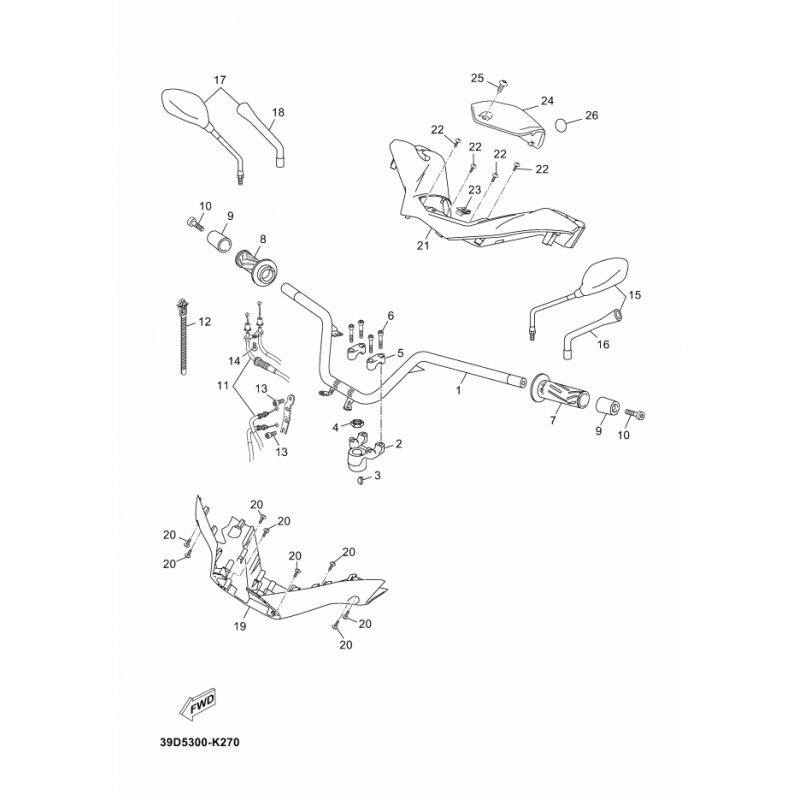
LENKERHALTER, UNTEN
Artikelname: LENKERHALTER, UNTEN
Hersteller: Yamaha
OEM Nummer: 37PF34421000
Hersteller: Yamaha
OEM Nummer: 37PF34421000






















