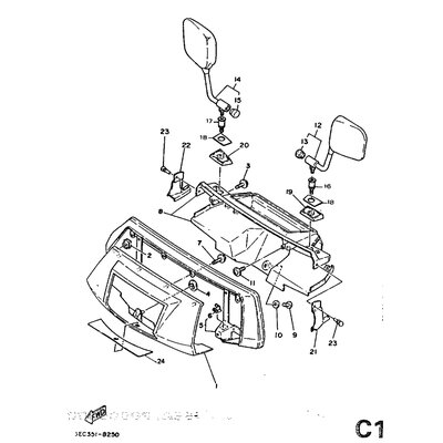
OBERE LENKERABDECKUNG 1
Artikelname: OBERE LENKERABDECKUNG 1
Hersteller: Yamaha
OEM Nummer: 35R2614310FF
Dieser Artikel wurde durch folgenden ersetzt: 3ECF61430015
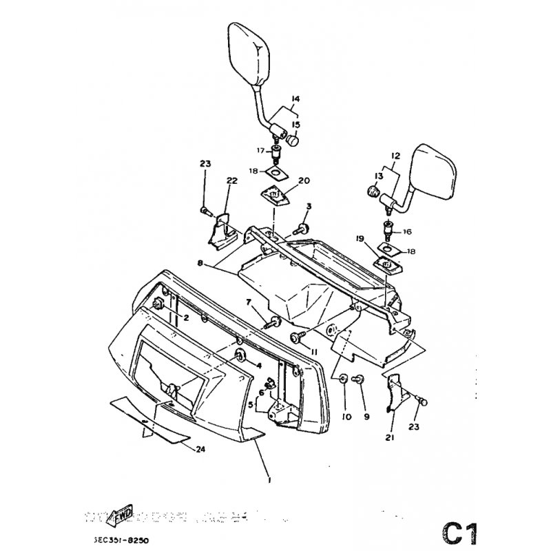
Hersteller: Yamaha
OEM Nummer: 35R2614310FF
Dieser Artikel wurde durch folgenden ersetzt: 3ECF61430015






















