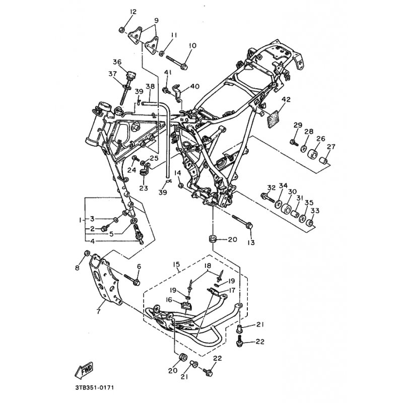
DAMPFER 2
Artikelname: DAMPFER 2
Hersteller: Yamaha
OEM Nummer: 34K214860000
Hersteller: Yamaha
OEM Nummer: 34K214860000






















