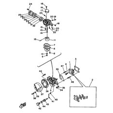
ANSCHLAGHEBELEINHEIT
Artikelname: ANSCHLAGHEBELEINHEIT
Hersteller: Yamaha
OEM Nummer: 34K181400000
Dieser Artikel wurde durch folgenden ersetzt: 5Y1181400000
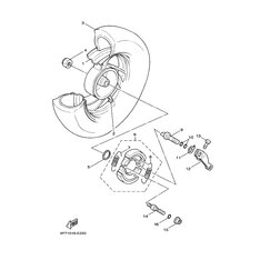
Hersteller: Yamaha
OEM Nummer: 34K181400000
Dieser Artikel wurde durch folgenden ersetzt: 5Y1181400000




















