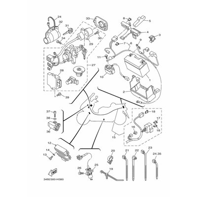
MAIN SW. IMMOBILIZER KIT
Artikelname: MAIN SW. IMMOBILIZER KIT
Hersteller: Yamaha
OEM Nummer: 34BW82500100
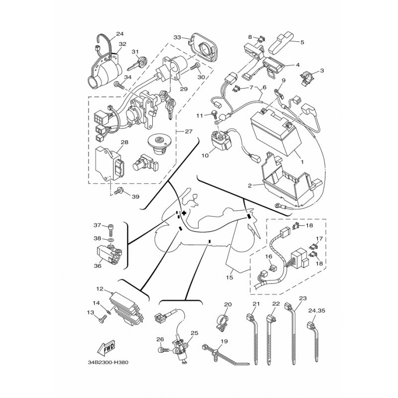
Hersteller: Yamaha
OEM Nummer: 34BW82500100




















