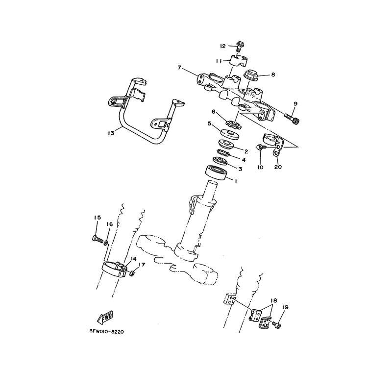
KABELFUHRUNG
Artikelname: KABELFUHRUNG
OEM: 34L-23389-00 [34L233890000]
OEM: 34L-23389-00 [34L233890000]






















