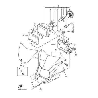
GLUHBIRNE, SCHEINWERFER
Artikelname: GLUHBIRNE, SCHEINWERFER
Hersteller: Yamaha
OEM Nummer: 32D843140000
Dieser Artikel wurde durch folgenden ersetzt: 8V0843140000
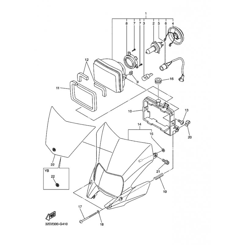
Hersteller: Yamaha
OEM Nummer: 32D843140000
Dieser Artikel wurde durch folgenden ersetzt: 8V0843140000




















