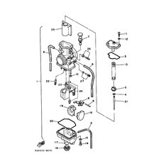
DROSSELSCHRAUBENSTAZ
Artikelname: DROSSELSCHRAUBENSTAZ
Hersteller: Yamaha
OEM Nummer: 31J141030000
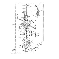
Hersteller: Yamaha
OEM Nummer: 31J141030000




















