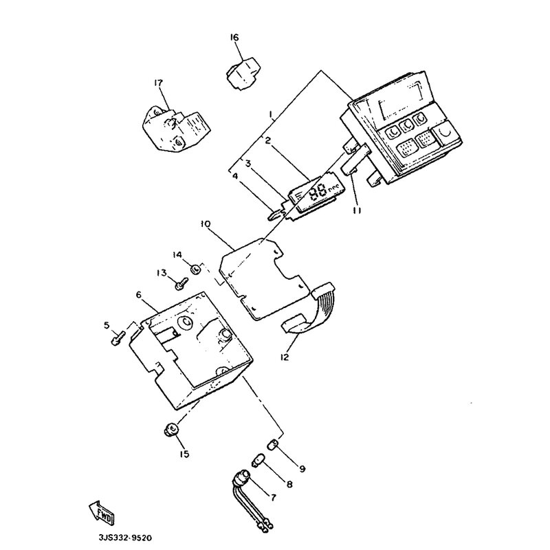
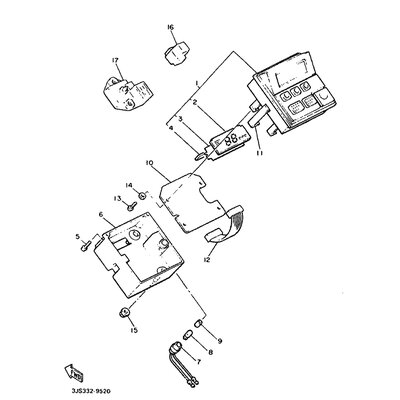
KLEMME
Artikelname: KLEMME
OEM: 31M-83595-00 [31M835950000]
OEM: 31M-83595-00 [31M835950000]




















