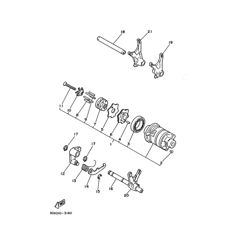
SCHALTGABEL 3
Artikelname: SCHALTGABEL 3
OEM: 30X-18513-00 [30X185130000]
OEM: 30X-18513-00 [30X185130000]




















