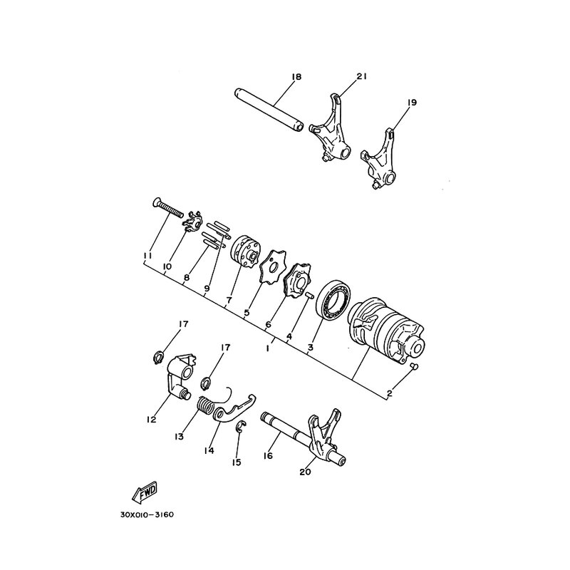
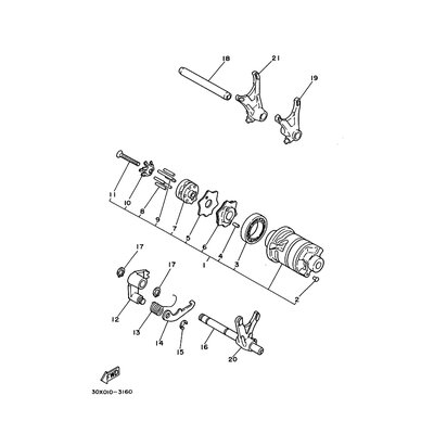
SEGMENT
Artikelname: SEGMENT
OEM: 30X-18185-00 [30X181850000]
OEM: 30X-18185-00 [30X181850000]




















