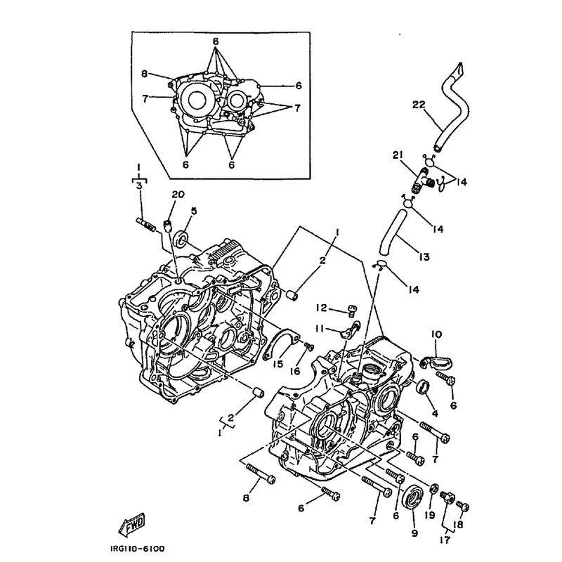
PLATTE, LAGERDECKEL
Artikelname: PLATTE, LAGERDECKEL
OEM: 30X-15383-00 [30X153830000]
OEM: 30X-15383-00 [30X153830000]




















