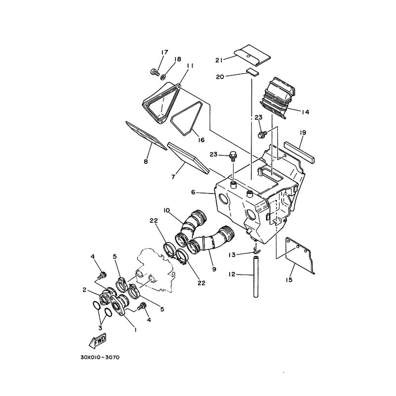
KANAL
Artikelname: KANAL
OEM: 30X-14437-00 [30X144370000]
OEM: 30X-14437-00 [30X144370000]






















