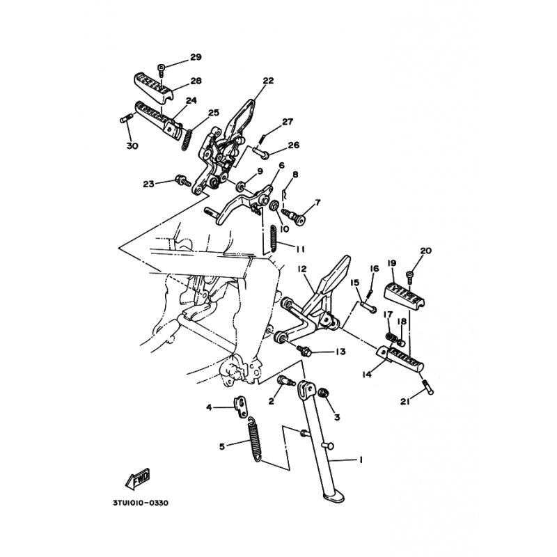
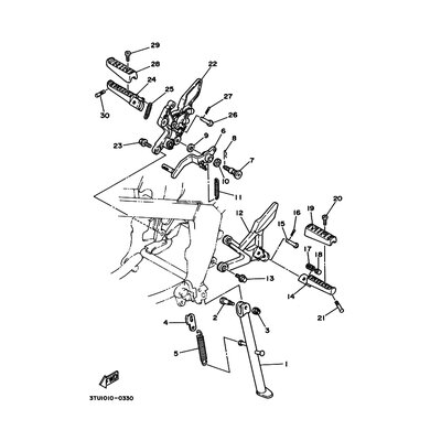
WELLE
Artikelname: WELLE
Hersteller: Yamaha
OEM Nummer: 2YK272610000
Hersteller: Yamaha
OEM Nummer: 2YK272610000






















