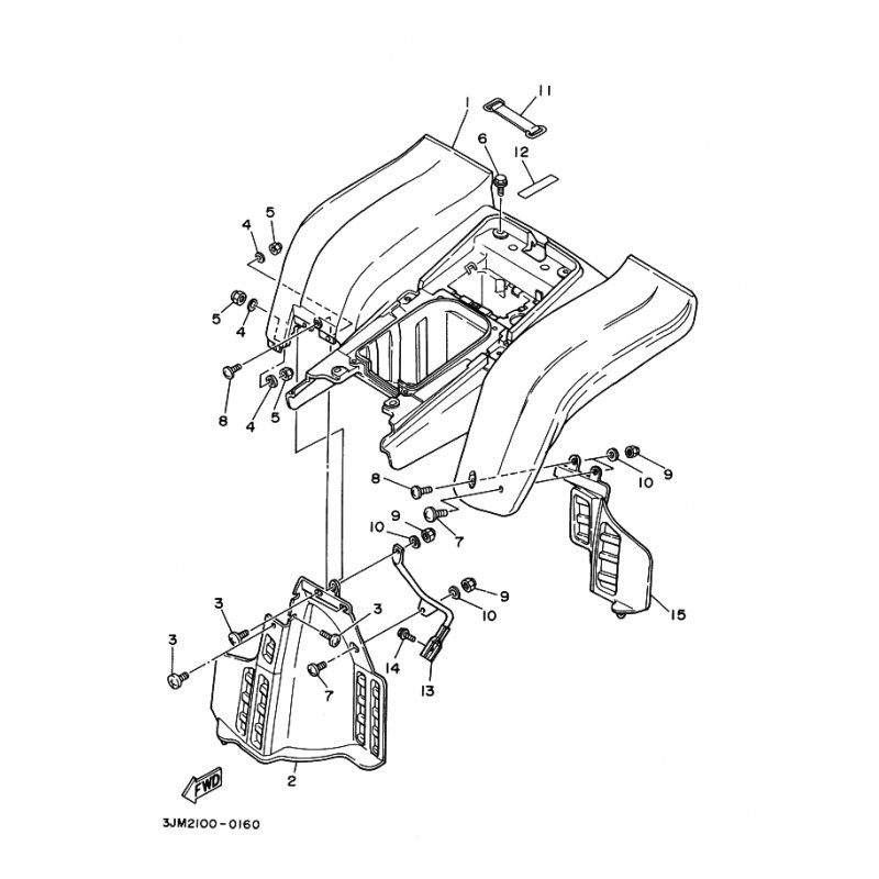
KOTFLUGEL, HINTERRAD
Artikelname: KOTFLUGEL, HINTERRAD
Hersteller: Yamaha
OEM Nummer: 2XJ216119000
Dieser Artikel wurde durch folgenden ersetzt: 2XJ216117000
Hersteller: Yamaha
OEM Nummer: 2XJ216119000
Dieser Artikel wurde durch folgenden ersetzt: 2XJ216117000




















