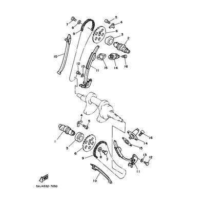
KETTENRAD, STEUERKETTE
Artikelname: KETTENRAD, STEUERKETTE
Hersteller: Yamaha
OEM Nummer: 2UJ121760000
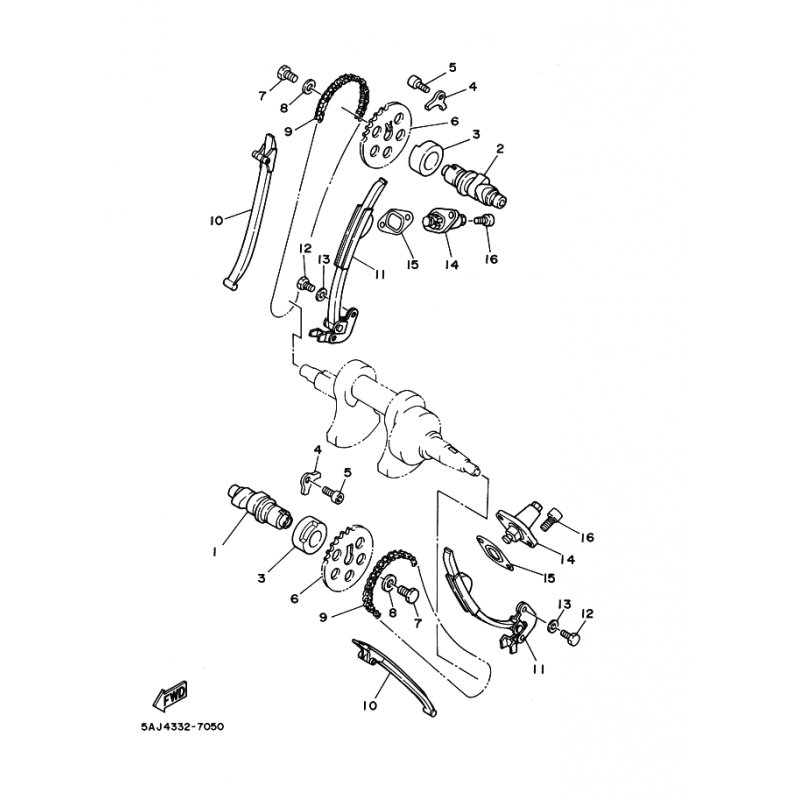
Hersteller: Yamaha
OEM Nummer: 2UJ121760000






















