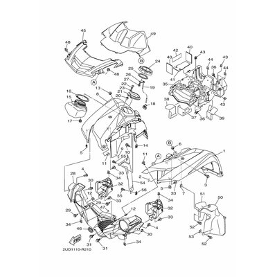
KOTFLUGEL, VORNE 2
Artikelname: KOTFLUGEL, VORNE 2
Hersteller: Yamaha
OEM Nummer: 2UDF15560000
Dieser Artikel wurde durch folgenden ersetzt: 2UDF15560100
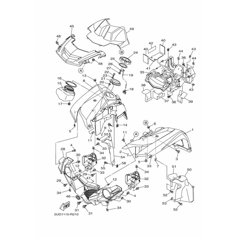
Hersteller: Yamaha
OEM Nummer: 2UDF15560000
Dieser Artikel wurde durch folgenden ersetzt: 2UDF15560100




















