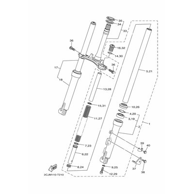
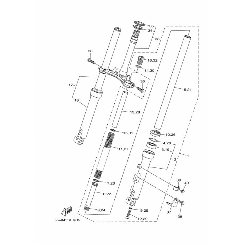
SCHEIBE
Artikelname: SCHEIBE
Hersteller: Yamaha
OEM Nummer: 2SAF34270000
Hersteller: Yamaha
OEM Nummer: 2SAF34270000




















