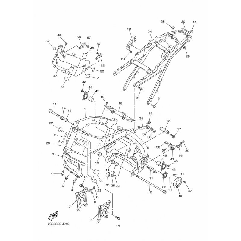
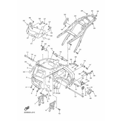
NABE, MOTORAUFHANGUNG
Artikelname: NABE, MOTORAUFHANGUNG
Hersteller: Yamaha
OEM Nummer: 2S3214240000
Hersteller: Yamaha
OEM Nummer: 2S3214240000




















