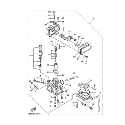
DUSE, LEERLAUF
Artikelname: DUSE, LEERLAUF
Hersteller: Yamaha
OEM Nummer: 2MM141421200
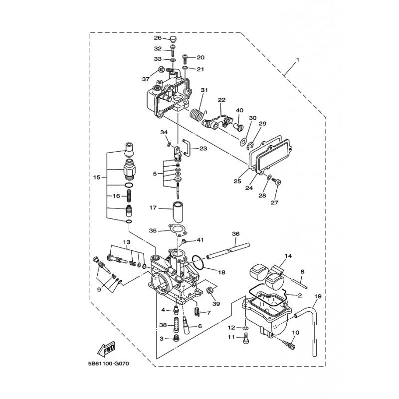
Hersteller: Yamaha
OEM Nummer: 2MM141421200




















