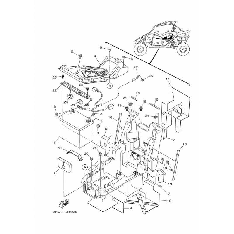
BOX, BATTERY 1
Artikelname: BOX, BATTERY 1
Hersteller: Yamaha
OEM Nummer: 2HCH212B0000
Dieser Artikel wurde durch folgenden ersetzt: 2HCH212B0100
Hersteller: Yamaha
OEM Nummer: 2HCH212B0000
Dieser Artikel wurde durch folgenden ersetzt: 2HCH212B0100




















