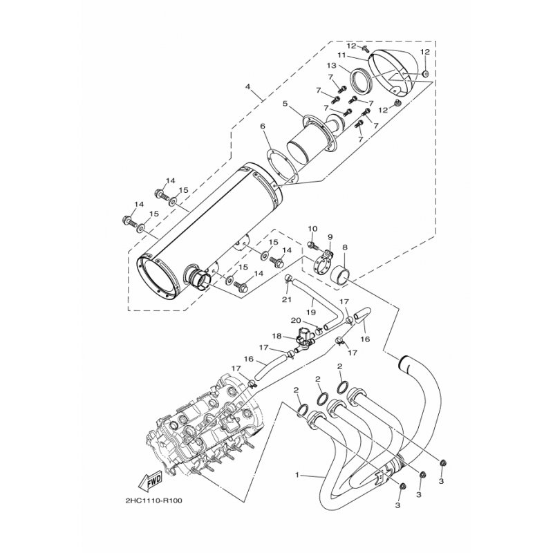
LUFTSPERRVENTIL
Artikelname: LUFTSPERRVENTIL
Hersteller: Yamaha
OEM Nummer: 2HC148400000
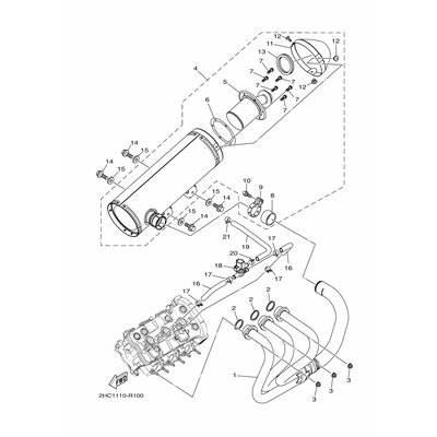
Hersteller: Yamaha
OEM Nummer: 2HC148400000






















