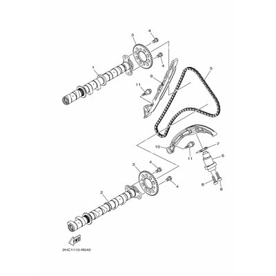
NOCKENWELLENGRUPPE 2
Artikelname: NOCKENWELLENGRUPPE 2
Hersteller: Yamaha
OEM Nummer: 2HC121800000
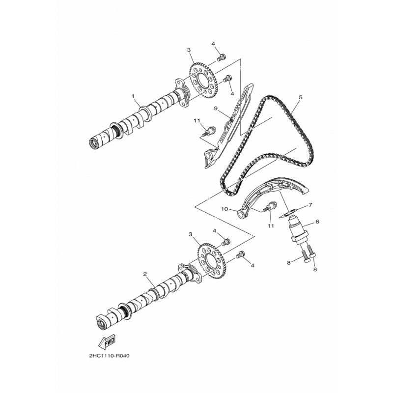
Hersteller: Yamaha
OEM Nummer: 2HC121800000




















