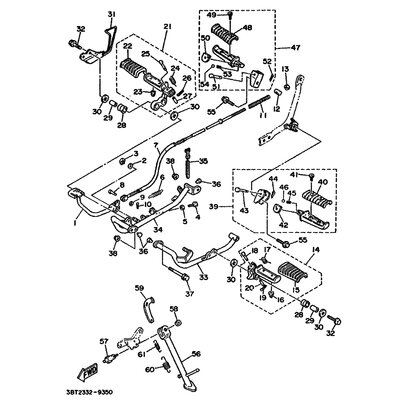
STANGE, FUSSRASTE 2
Artikelname: STANGE, FUSSRASTE 2
Hersteller: Yamaha
OEM Nummer: 2GV274720000
Dieser Artikel wurde durch folgenden ersetzt: 2GV274720100
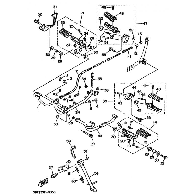
Hersteller: Yamaha
OEM Nummer: 2GV274720000
Dieser Artikel wurde durch folgenden ersetzt: 2GV274720100




















