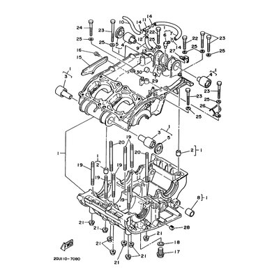
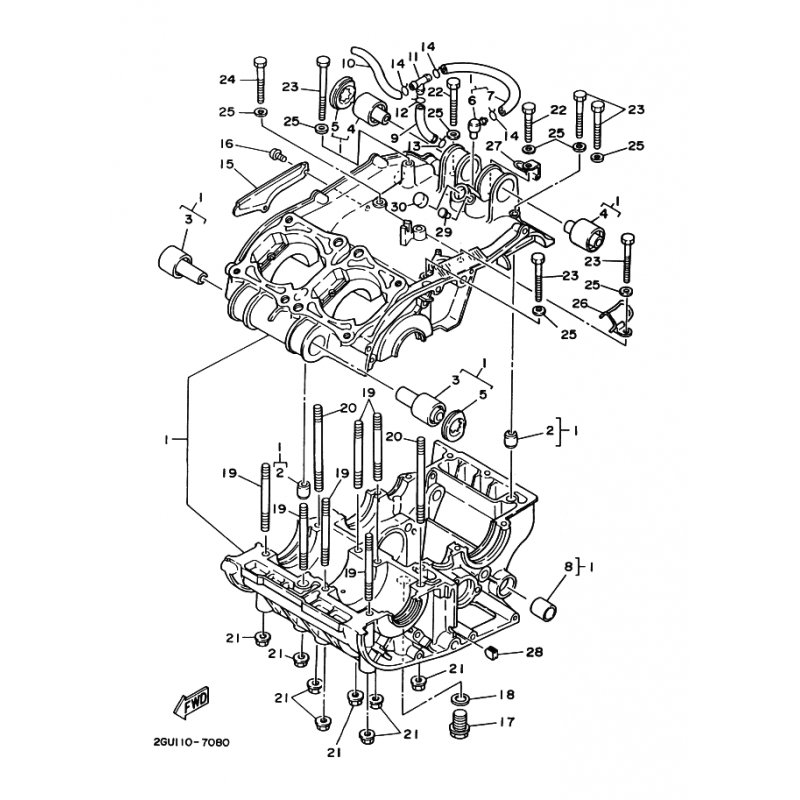
DAMPFER, MOTORAUFHANGUNG 2
Artikelname: DAMPFER, MOTORAUFHANGUNG 2
Hersteller: Yamaha
OEM Nummer: 2GU153260000
Hersteller: Yamaha
OEM Nummer: 2GU153260000






















