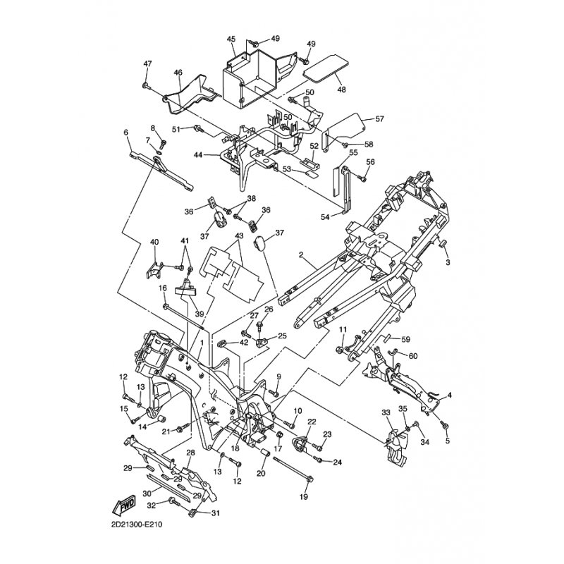
HINTERRAHMEN KOMPL.
Artikelname: HINTERRAHMEN KOMPL.
Hersteller: Yamaha
OEM Nummer: 2D2211900000
Dieser Artikel wurde durch folgenden ersetzt: 2D2211902000
Hersteller: Yamaha
OEM Nummer: 2D2211900000
Dieser Artikel wurde durch folgenden ersetzt: 2D2211902000






















