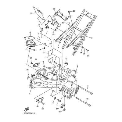
DAMPFUNGSLAGER 3
Artikelname: DAMPFUNGSLAGER 3
Hersteller: Yamaha
OEM Nummer: 2D1241830000
Dieser Artikel wurde durch folgenden ersetzt: 2D1241830100
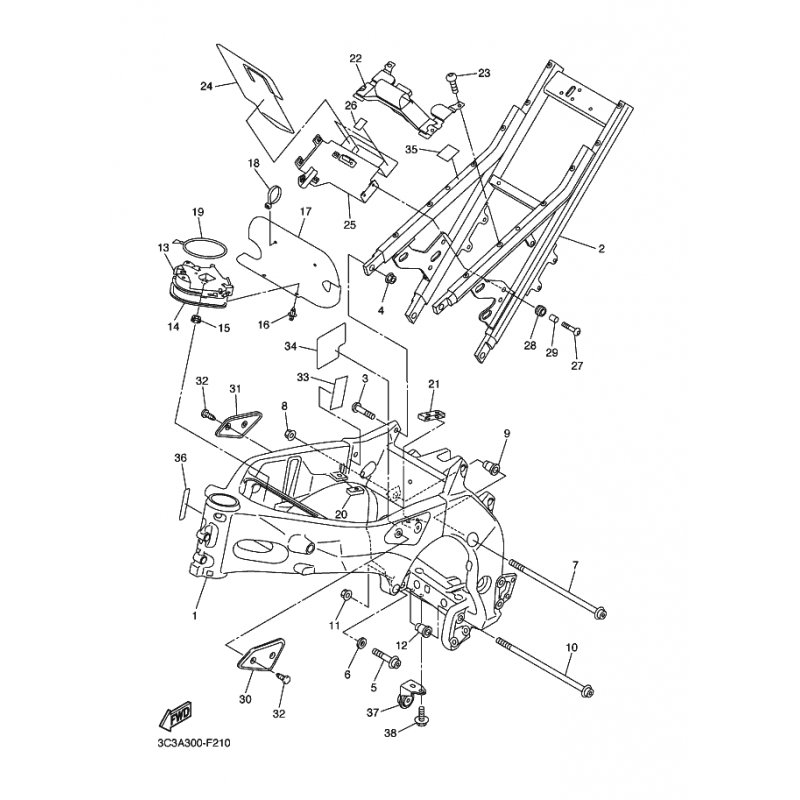
Hersteller: Yamaha
OEM Nummer: 2D1241830000
Dieser Artikel wurde durch folgenden ersetzt: 2D1241830100




















