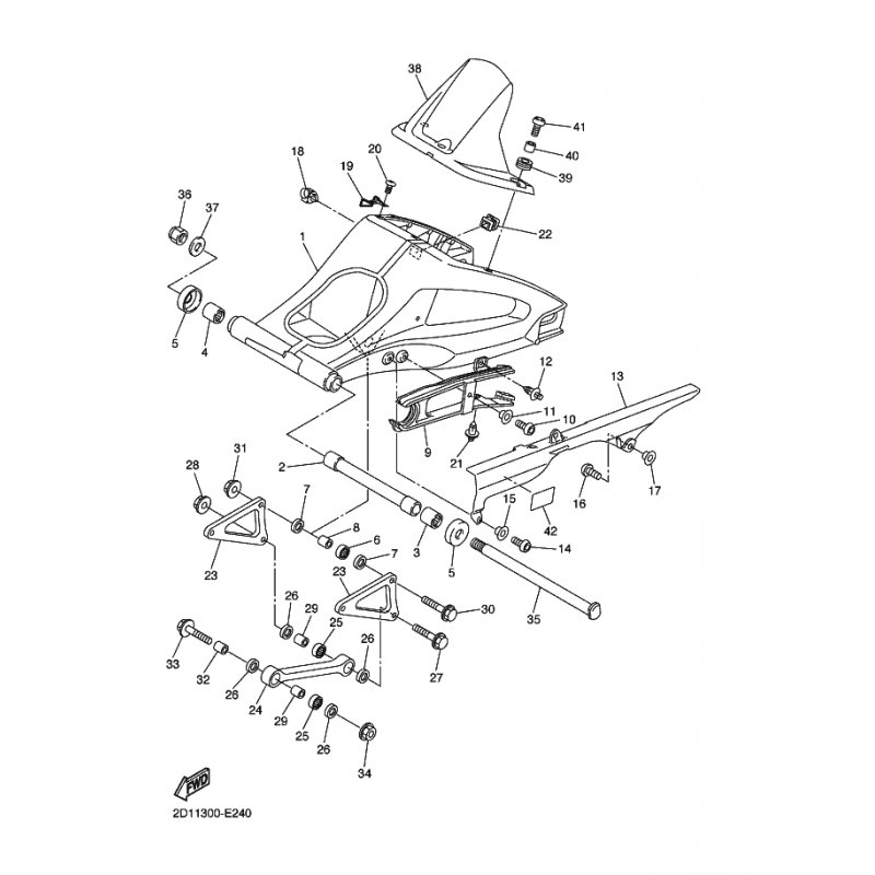
VERSCHLUSSKAPPE
Artikelname: VERSCHLUSSKAPPE
Hersteller: Yamaha
OEM Nummer: 2D1221170000
Hersteller: Yamaha
OEM Nummer: 2D1221170000






















