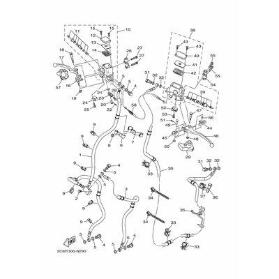
HALTER, SEILZUG 2
Artikelname: HALTER, SEILZUG 2
Hersteller: Yamaha
OEM Nummer: 2CMF637H0000
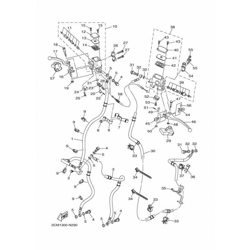
Hersteller: Yamaha
OEM Nummer: 2CMF637H0000






















