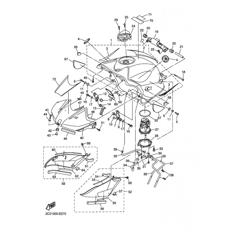
DAMPER, PLATE 4
Artikelname: DAMPER, PLATE 4
Hersteller: Yamaha
OEM Nummer: 2C02414N0000
Dieser Artikel wurde durch folgenden ersetzt: 905200301600
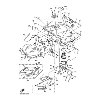
Hersteller: Yamaha
OEM Nummer: 2C02414N0000
Dieser Artikel wurde durch folgenden ersetzt: 905200301600




















